Catalogo

Catalogo

Soluciones Completas para el Transporte y la Minería en México

Descubre una amplia gama de camiones y repuestos Sinotruk diseñados para superar las exigencias del mercado mexicano. Nuestro catálogo reúne la potencia y la eficiencia de nuestros modelos líderes, como el robusto HOWO A7 para cargas pesadas y el SITRAK C7H con tecnologías avanzadas, así como una variedad de repuestos OEM de alta calidad para mantener tu flota en óptimas condiciones. Además, encontrarás soluciones personalizadas para industrias específicas, desde la minería hasta la logística, respaldadas por casos de éxito probados en México. Utiliza nuestros filtros avanzados para navegar con facilidad y solicita un presupuesto personalizado en pocos clics. ¡Encuentra aquí la respuesta a todas tus necesidades de transporte y mantenimiento!

SINOTRUK HOWO CATÁLOGO DE PIEZAS DE CAMIÓN

SINOTRUK WD615 EURO-II CATALOG
SINOTRUK WD615 EURO-II CATALOG
SINOTRUK HW19710 TRANSMISSION CATALOG
SINOTRUK HW19710 TRANSMISSION CATALOG
SINOTRUK WT615 ENGINE CATALOG
SINOTRUK WT615 ENGINE CATALOG
SINOTRUK D12 EURO-III CATALOG
SINOTRUK D12 EURO-III CATALOG
SINOTRUK HW20716 TRANSMISSION CATALOG
SINOTRUK HW20716 TRANSMISSION CATALOG
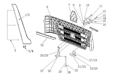
SINOTRUK HOWO A7 CAB PARTS CATALOG
SINOTRUK HOWO A7 CAB PARTS CATALOG
SINOTRUK D12 EURO-II CATALOG
SINOTRUK D12 EURO-II CATALOG
SINOTRUK HW19710T TRANSMISSION CATALOG
SINOTRUK HW19710T TRANSMISSION CATALOG
SINOTRUK HOWO HW76 79 CAB PARTS CATALOG
SINOTRUK HOWO HW76 79 CAB PARTS CATALOG

SINOTRUK HOWO CATÁLOGO DE PIEZAS DE CABINA

Wheel Fender
GUARDABARROS DE RUEDA
Cabin Lifting System
SISTEMA DE ELEVACIÓN DE CABINA
Cabin Front Part
PARTE DELANTERA DE LA CABINA
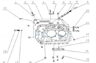
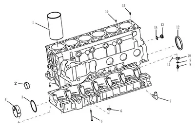
Cylinder Block
BLOQUE DE CILINDROS
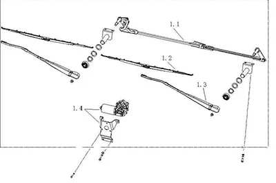
Windscreen Wiper
LIMPIAPARABRISAS

SINOTRUK HOWO CATÁLOGO DE PIEZAS DE MOTOR

Cylinder Block Assy
BLOQUE DE CILINDROS
Piston and Connecting Rod
PISTÓN Y BIELA
Oil Pan Assembly
CONJUNTO DEL CÁRTER DE ACEITE
Fuel Supply System
SISTEMA DE SUMINISTRO DE COMBUSTIBLE
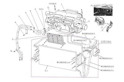
Air Condition System
SISTEMA DE AIRE ACONDICIONADO
Alternator & Sensor
ALTERNADOR Y SENSOR
Gear Case
CAJA DE CAMBIOS
Parts in Cylinder Block
PIEZAS EN EL BLOQUE DE CILINDROS
Intake Manifold and Exhaust Manifold
COLECTOR DE ADMISIÓN Y COLECTOR DE ESCAPE
Fan,Water Pump & Roll
VENTILADOR, BOMBA DE AGUA Y RODILLO
Air Compressor
COMPRESOR DE AIRE
Crankshaft Assembly
MONTAJE DEL CIGÜEÑAL
Oil Pump and Lubrication System
BOMBA DE ACEITE Y SISTEMA DE LUBRICACIÓN
Valve-Gear Mechanism
MECANISMO VÁLVULA-ENGRANAJE

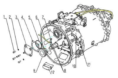
SINOTRUK HOWO CATÁLOGO DE PIEZAS DE LA CAJA DE CAMBIOS

SHIFTNG FORK SHAFT
EJE DE LA HORQUILLA DE CAMBIO
MIDDLE HOUSING
VIVIENDA MEDIA
IDLER WHEEL, SINOTRUK HOWO HW19710T PARTS CATALOG
RUEDA IDLER
DEPUTY CASE OF RANGE GEAR
CASO ADJUNTO DE ENGRANAJE DE GAMA
ELECTRIC SWITCH
INTERRUPTOR ELÉCTRICO
OIL PUMP AND PIPELINE
BOMBA DE ACEITE Y OLEODUCTO
MAIN SHAFT, SINOTRUK HOWO HW19710T PARTS CATALOG
EJE PRINCIPAL
FRONT HOUSING
CARCASA DELANTERA
Gearbox Part
PIEZA DE LA CAJA DE CAMBIOS
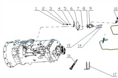
CLUTCH CONTROL
MANDO DEL EMBRAGUE
MOTION CONTROL
CONTROL DE MOVIMIENTO
INPUT SHAFT & CAP
EJE DE ENTRADA Y TAPA
DEPUTY SHAFT, SINOTRUK HOWO HW19710T PARTS CATALOG
EJE AUXILIAR
CAP & AIR BOOSTER,
TAPÓN Y BOOSTER DE AIRE
AIR CONTROL PIPELINE VALVE
VÁLVULA DE TUBERÍA DE CONTROL DE AIRE

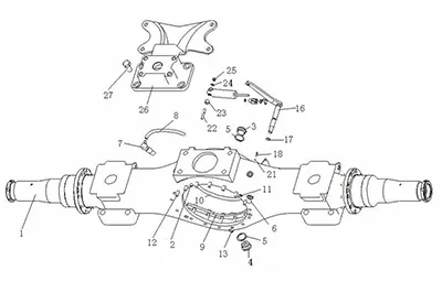
INOTRUK HOWO CATÁLOGO DE PIEZAS DE EJE

ST16 Axle Wheel Hub & Brake
EJE ST16 CUBO DE RUEDA Y FRENO
ST16 Rear Axle Driving
ST16 CONDUCCIÓN DEL EJE TRASERO
HC16 Rear Axle Driving
HC16 CONDUCCIÓN DEL EJE TRASERO
HC16 Axle Hub & Brake
HC16 CUBO DE EJE Y FRENO
ST16 Middle Axle Driving
ST16 CONDUCCIÓN DEL EJE CENTRAL
HF7 & HF9 Axle
EJE HF7 & HF9
HC16 Middle Axle Housing
CARCASA DEL EJE CENTRAL HC16
Front Axle Wheel & Brake
EJE DELANTERO RUEDA Y FRENO
ST16 Middle Axle Housing
ST16 CARCASA DEL EJE CENTRAL
HC16 Rear Axle Housing
HC16 CARCASA DEL EJE TRASERO
HC16 Middle Axle Driving
HC16 CONDUCCIÓN DEL EJE CENTRAL
ST16 Rear Axle Housing
CARCASA DEL EJE TRASERO ST16

Únase A Nosotros Para Encontrar Mejores Soluciones

Somos Sinotruk en México, una empresa líder en la industria de camiones y refacciones, dedicada a promover el desarrollo de la industria de la movilidad y la logística en México. Si buscas una mejor solución, este es tu lugar.

Pregunta Respuesta

Encuentre Respuestas A Las Preguntas Más Habituales Sobre Nuestras Soluciones Y Servicios Para Camiones.

Reciba Respuesta Directa de Nuestro Equipo

Aceptamos pagos a través de Transferencia Bancaria (TT) o Letra de Crédito (LC). Por lo general, se pide un 30% como depósito a través de TT, y el saldo restante debe pagarse antes del envío. Todas las transacciones son seguras y protegidas.

Los plazos de entrega de los camiones pueden variar debido a los programas de producción o a circunstancias imprevistas. Para conocer el estado más actualizado del envío, póngase en contacto con nuestro servicio de atención al cliente.

Los camiones Sinotruk tienen un consumo de combustible promedio de aproximadamente 35 litros por cada 100 kilómetros. Sin embargo, este consumo puede variar en función de la carga real y las condiciones de conducción.

Ofrecemos una garantía de 1 año o 60,000 kilómetros, lo que ocurra primero, a partir de la fecha de la factura de embarque. La garantía cubre piezas y mano de obra según lo especificado en nuestra política de garantía.

Todos nuestros camiones son nuevos y han pasado rigurosas comprobaciones de calidad antes de la entrega. No vendemos camiones usados. Cuando compras un camión nuevo, puedes esperar el más alto estándar de calidad.

Para saber si tenemos stock disponible, por favor, proporciona tus requisitos detallados, como el año del modelo y la capacidad de carga. Revisaremos nuestro sistema de stock y te responderemos rápidamente.

Todos nuestros repuestos son Fabricantes de Equipo Original (OEM), lo que significa que son hechos por el fabricante de su camión, Sinotruck. Esto garantiza la compatibilidad de las piezas de repuesto, así como una mayor calidad y durabilidad.

Nuestra fábrica de Sinotruk está ubicada en la ciudad de Jinan, provincia de Shandong, China. Es fácil de acceder.

滚动至顶部

Mensaje en Línea

Envíenos su consulta / evaluación. Cualquier cosa nos necesita, por favor no dude en contactar con nosotros aquí! vamos a mantener en secreto para usted!

Mensaje en Línea

Envíenos su consulta / evaluación. Cualquier cosa nos necesita, por favor no dude en contactar con nosotros aquí! vamos a mantener en secreto para usted!